PRODUCTO

Soportes para Antenas

Sistemas Irradiantes SRL ofrece una amplia variedad de soportes para antenas, diseñados para adaptarse a distintos tipos de mástiles, torres y configuraciones de montaje. Todos los modelos están fabricados con materiales de alta calidad y pensados para garantizar robustez, precisión de instalación y versatilidad.

Estos mástiles se entregan en tramos modulares y se instalan arriostrados, cumpliendo con normas internacionales de calidad, y disponibles en versiones pintadas o galvanizadas por inmersión en zinc caliente.

SIS. 01 al SIS. 05:

Soportes diseñados para mástiles con parantes de chapa plegada o tubulares, compatibles con mountings de 89 mm o 114 mm y travesaños (UPN 14 o caños). Algunos modelos incluyen correderas ajustables para facilitar la verticalización en torres troncocónicas.

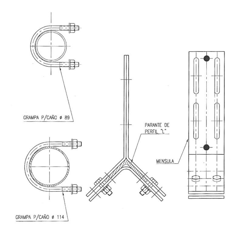
SIS. 07 y SIS. 08

Diseñados específicamente para torres autosoportadas con parantes de perfil laminado. Permiten ajuste vertical del mounting mediante regulación con grampas.

Soportes laterales para parábolas

Especialmente pensados para fijar parábolas en mástiles tipo SI-108 a SI-4512. Se adaptan a mounting de 50 cm a 3 m de largo, en diámetros de 48 mm, 89 mm o 114 mm.

Soporte Universal:

Modelo versátil, compatible con distintos tipos de mountings y mástiles. Ideal para instalaciones con requerimientos técnicos variables.